(주)우진플라임 기술교육원이 [월간 플라스틱기계산업] 독자들을 위해 사출성형기 운영에 필수적인 교육 정보를 매월 연재 형식으로 제공한다. 이번 호에서는 사출기의 스프루 및 로케이트 링의 역할과 이젝팅 기구의 종류에 대해 다뤘다.
1. 스프루 시스템(Sprue System)

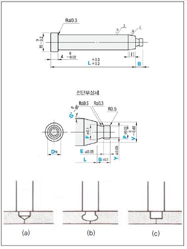
1) 금형 입구에 위치한다.
2) 사출기 노즐 구멍으로부터 사출된 용융 수지를 러너에 보내는 역할이다.
3) 스프루 및 노즐의 결합 상태
- 스프루 구멍은 사출기의 노즐 구멍보다 커야 한다.
- 사출기의 노즐 구멍과 스프루 구멍의 중심이 잘 맞아야 한다.
- 노즐 R보다 스프루 부싱의 R이 커야 한다. R이 커짐으로써 노즐이 스프루 부싱에 완전하게 밀착해 수지의 외부 분출을 막는다.
- 열처리를 통해 내마모성을 높인다.
2. 스프루/스프루 부싱/노즐의 치수 결정

1) 스프루 부싱의 R은 사출기 노즐 선단보다 1㎜ 정도 크게 하는 것이 바람직하다.
2) 입구 직경은 사출기 노즐 구멍보다 0.5~1㎜ 정도 크게 가공한다.
3) 스프루 길이는 금형의 고정 측 두께와 관련이 있으며, 가능한 짧게 하는 것이 바람직하다.
4) 사출기 스프루의 R 및 구멍 직경은 작업하려는 사출기의 제원을 참고해 적용한다.
5) 스프루의 테이퍼는 보통 최소 2°를 유지하되 길이에 따라 2~4° 정도로 한다.
6) 다이렉트 게이트 타입의 경우 스프루의 치수 및 형태가 바로 다이렉트 게이트 치수이다.
7) 스프루 부위는 사출 용액의 원활한 유동을 위해 표면을 래핑(Lapping)한다. 래핑 방향은 수지가 흐르는 방향으로 한다.
8) 스프루 부싱의 재료는 SM50C, STC5~STC7, SCM4 등을 사용한다.
9) 열처리를 할 경우 경도는 Hrc40 이상으로 한다.
3. 스프루 로크 핀(Sprue Lock pin)

1) 사출 후 금형이 열릴 때 스프루가 제품과 함께 가동 측에 붙은 상태로, 고정 측에 확실히 이탈되도록 하는 역할로 사용한다.
2) 갈퀴 형상이나 고정 측 형판에 언더컷을 내 스프루를 잡아당기게 한다.
3) 스프루 로크 핀의 상단에 모인 재료는 콜드 슬러그 웰 역할을 한다.
4. 로케이트 링(Locate Ring)

로케이트링은 금형의 상고정판(고정 측) 중앙에 있는 카운터 보링 자리에 위치하며, 사출기의 노즐과 금형 스프루 부싱의 중심을 맞추는 데 사용되는 부품으로 일명 센터링이라고도 한다. 사출기의 종류에 따라 지름이 100/120/150㎜ 등으로 나뉘며 유럽 지역에서는 간혹 가동 측의 하고정판 부분에도 설치하는 경우가 있다. 공차는 사출기보다 -0.2가량 작게 관리하는 것이 좋다.
5. 러너 로크핀

1) 핀 포인트 게이트 등에서 러너를 끌어당겨 성형품과 게이트를 분리시키는 역할을 한다.
2) 단이진 라운드 형상을 가장 많이 사용
6. 이젝팅(Ejecting) 기구
이젝팅이란 사출성형이 된 제품을 금형에서 원활하게 취출하기 위한 것을 총칭한다.
1) 밀핀(Ejector Pin)에 의한 방식
밀핀의 종류는 원형 또는 각형, 판 모양으로 되어 있다.

밀핀의 형상
(a) 원형(표준) 이젝터 핀
(b) 단붙이 원형 이젝터 핀
(c) 단붙이 이젝터 핀
(d) 단붙이 4각 이젠터핀 양단 용접
(e) 각형 핀을 끼워 단을 만든 핀
2) 슬리브 밀핀(Sleeve Ejector pin)에 의한 방식
중앙에 구멍이 있는 보스나 둥근 원통형의 성형품을 밀어내는 데 많이 사용한다.

3) 스트리퍼 밀판(Stripper Plate)에 의한 방식
제품을 밀어낼 때 측벽에 큰 저항이 있는 상자 모양이나 원통 모양의 성형품에 적합하다. 크랙이나 백화 현상이 없고 변형이 적은 것을 요구하는 성형품이나 이젝터 핀 자국이 남지 않아야 되는 성형품(투명 제품)에도 사용된다.
성형품의 파팅 면이 복잡한 경우에는 스트리퍼 플레이트의 대응으로 아래 그림의 (b)와 같은 링을 사용한다.

스트리퍼 플레이트 이젝터와 링 스트리퍼 이젝트
(a) / 고정축 형판 / 성형품 / 스트리퍼 플레이트 / 볼트 / 가이드 핀 / 리턴 핀
(b) / 이젝트 플레이트 / 고정 볼트 / 형판 / 링 스트리퍼
4) 공기압에 의한 밀어내기 방식(Air Ejection)

공기압에 의한 방법
장점
∙밀판 등의 기구가 필요 없어 금형 구조가 간단하다.
∙가동 측이나 고정 측 어느 것에도 쉽게 사용할 수 있다.
∙금형이 열리고 있는 사이에 임의의 위치에서 밀어내기가 가능하다.
∙성형품과 코어 사이에 생기는 진공에 의한 문제를 해소해 준다.
∙성형품의 임의의 위치에 공기 통로를 설치할 수 있다.
∙균일한 공기 압력이 성형품 밑바닥 부분에 고르게 작용해야 변형을 일으키지 않는다.
∙배관이 간단, 압축공기가 새도 성형품이 더렵혀지지 않고 작업상 위험도 없다.
∙금형의 냉각 작용도 겸할 수 있다.
단점
∙성형품에 따라 사용이 불가한 경우가 있다.
∙공기압력에 한계가 있어 밀착력이 강한 제품에 사용이 불가능하다.
∙공기의 누출이 있으면 이젝터 힘이 크게 감소하므로 주의해야 한다.
∙공기 배관과 공기 압축기가 필요하다.


![[산업전망] 인도 EPDM 시장 전망](https://file.yeogie.com/img.news/202406/md/m4G8EiK428.jpg)